Computer Engineering 281 - Digital Logic
Digital Combination Lock Project
Technology: VHDL, Quartus Prime, FPGA board
In this class we used a field programmable gate array board (FPGA) to implement basic
logic components that comprises computer hardware. We used a program call Quartus Prime
to create the block diagrams of the components and sent them to the board.
For the final project, I created a digital combination lock using the switches, the
seven-segment displays, and the LEDs on the board. The user could set a combination,
enter a combination, and reset a combination.
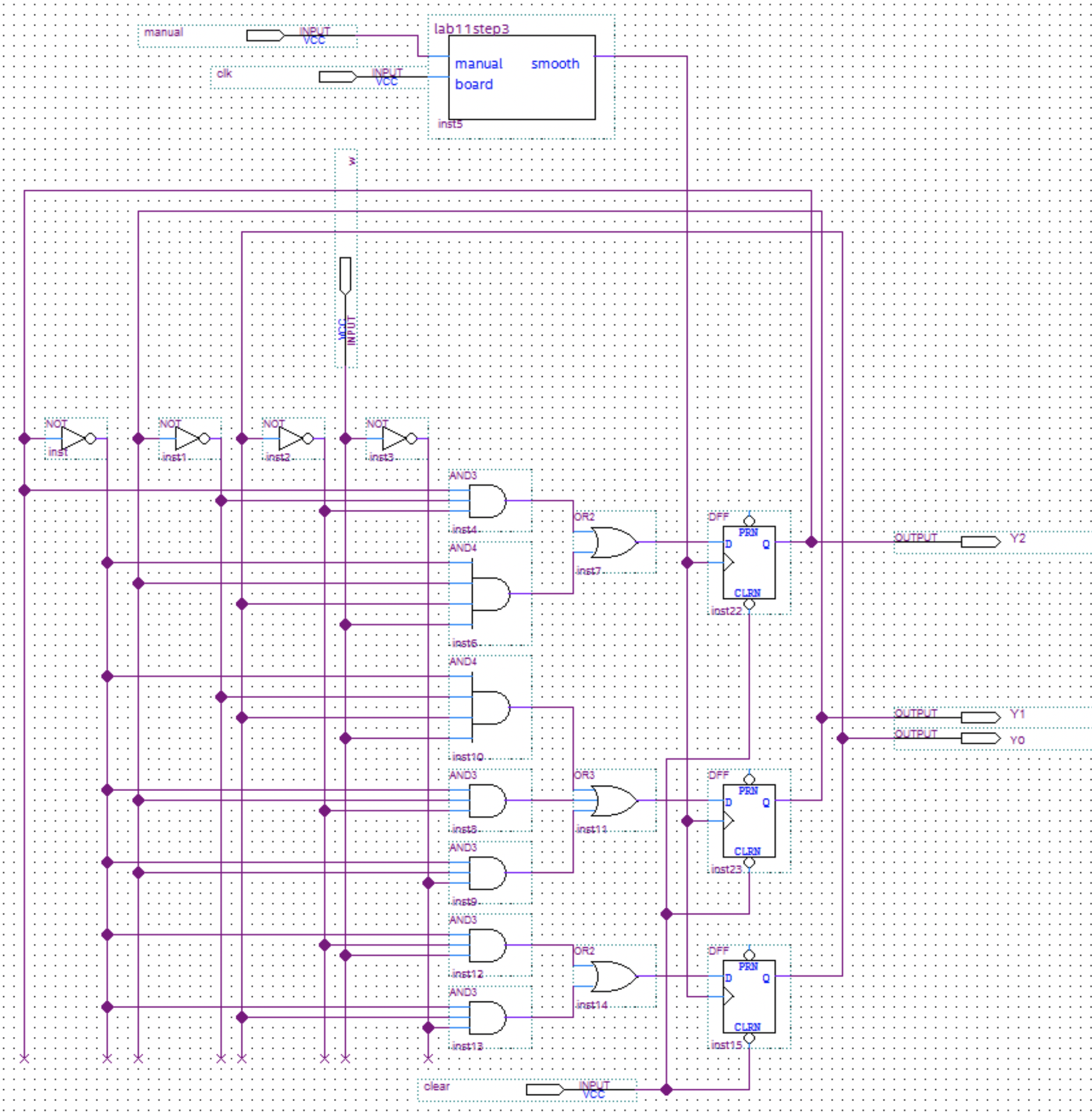
Final Circuit Diagram:

Register File:

Decoder:

Counter:

Comparator:

8-3 Encoder:

Seven Segment Decoder:

Three Bit Parallel Access Register:
